Каталог
Каталог Написать в WhatsApp
Мотоэкипировка

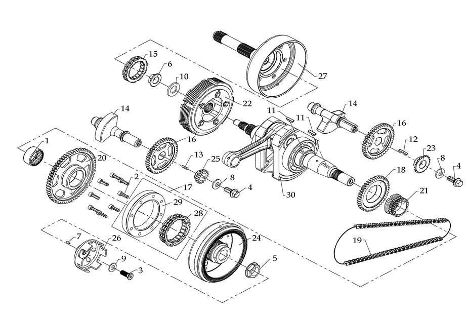
Коленвал, обгонная муфта, диск сцепления КВАДРОЦИКЛА STELS ATV 600 GT

Коленвал, обгонная муфта, диск сцепления КВАДРОЦИКЛА STELS ATV 600 GT в Москве: актуальный каталог, цены, фото, описание. Купите коленвал, обгонная муфта, диск сцепления квадроцикла stels atv 600 gt в кредит – оформите заявку онлайн за 1 минуту!

Оригинальные запчасти

Артикул НАИМЕНОВАНИЕ Кол-во деталей в узле Примечание Наличие Цена Аналоги Фото
1 LU014713 Подшипник роликовый игольчатый HK 3520 35х42х20мм A010076-00

Под заказ

1
HK3520
HK3520

Под заказ

уточнить

3 160

Купить
2 LU014715 Болт с цил.головк.и вн.шестигр.M10X1.25X26мм,сталь A050203A41

Под заказ

1
M10X1.25X26L
M10X1.25X26L

Под заказ

уточнить

Купить
3 LU014737 Болт с фланцем М10х1.25х 25мм, сталь 9102-10-025,B01591002565

Под заказ

2
M10x1.25x25L
M10x1.25x25L

Под заказ

уточнить

80

Купить
4 LU014829 Гайка с фланцем M24х1.5мм, сталь A060071-41

Под заказ

1
M24X1.5
M24X1.5

Под заказ

уточнить

Купить
5 LU014830 Гайка с фланцем M18х1.5ммL, сталь 9202-18-150L

Под заказ

1

Под заказ

уточнить

330

Купить
6 LU014993 Штифт 3x 9.8мм, сталь A070043-00

Под заказ

1
Ø3X9.8L
Ø3X9.8L

Под заказ

уточнить

80

Купить
7 LU014026 Шайба 10.4х22.0х1.6мм, сталь A080033-41.58508B0DT000,B07030001005,0.04.00410

Под заказ

1
Ø10.4xØ22x1.6
Ø10.4xØ22x1.6

Под заказ

уточнить

90

Купить
8 LU015009 Шайба специальная 19х34х3мм, сталь A080112-00

Под заказ

1
Ø19XØ34X3t
Ø19XØ34X3t

Под заказ

уточнить

Купить
9 LU014998 Шпонка шестерни балансира 4х4х25мм, сталь A120008-00

Под заказ

1
4X4X25
4X4X25

Под заказ

уточнить

30

Купить
10 LU014999 Шпонка шестерни балансира 4х4х15мм, сталь A120009-00

Под заказ

1
4X4X15
4X4X15

Под заказ

уточнить

30

Купить
11 LU015010 Муфта обгонная (см.код - LU015011) E150020-00

Под заказ

1
45.848
45.848

Под заказ

уточнить

11 800

Купить
12 LU030397 Муфта обгонная (см.коды - LU015010 (муфта) или LU015011 (муфта в сборе)) E150178-00

Под заказ

1

Под заказ

уточнить

17 190

Купить
13 LU015011 Муфта обгонная, в сборе (см.также - LU015010) E150024-00

Под заказ

1

Под заказ

уточнить

13 200

Купить
14 LU015012 Шестерня привода балансирных валов E150032-00

Под заказ

1

Под заказ

уточнить

Купить
15 LU015002 Цепь ГРМ, роликовая (128 звеньев) E150037-00

Под заказ

1
128 LINKS
128 LINKS

Под заказ

уточнить

Купить
16 LU015013 Шестерня стартера, ведущая E150046-00

В наличии

1

В наличии

5 230

5 570

Купить
17 LU015013 Шестерня стартера, ведущая E150046-00

В наличии

1

В наличии

5 230

5 570

Купить
18 LU015005 Шестерня ГРМ, ведущая (24Т) E150047-00

Под заказ

1
24T
24T

Под заказ

уточнить

4 550

Купить
19 LU015014 Диск сцепления, сталь E150051-00

Под заказ

1

Под заказ

уточнить

Купить
20 LU015006 Шестерня привода маслянного насоса E150075-00

Под заказ

1

Под заказ

уточнить

770

Купить
21 LU015028 Ротор магнето (карбюраторн.двигатель) в сборе E150161A00

Под заказ

1
карбюратор
карбюратор

Под заказ

уточнить

6 200

Купить
22 LU015015 Шестерня привода насоса сист.охлаждения E150116-00

Под заказ

1

Под заказ

уточнить

130

Купить
23 LU015016 Храповик системы ручного запуска, сталь E150140-42

Под заказ

1

Под заказ

уточнить

Купить
24 LU015017 Барабан сцепления, сталь E150066-00

Под заказ

1

Под заказ

уточнить

18 550

Купить
25 LU030397 Муфта обгонная (см.коды - LU015010 (муфта) или LU015011 (муфта в сборе)) E150178-00

Под заказ

1

Под заказ

уточнить

17 190

Купить
26 LU030759 Фланец муфты обгонной E150179-00

Под заказ

1

Под заказ

уточнить

Купить
27 LU015018 Коленвал в сборе E150076C00,E150076B00

Под заказ

1

Под заказ

уточнить

48 680

Купить
28 LU015018 Коленвал в сборе E150076C00,E150076B00

Под заказ

1

Под заказ

уточнить

48 680

Купить
29 LU046313 Коленвал в сборе E150076D00

Под заказ

1

Под заказ

уточнить

43 110

Купить
30 LU015019 Подшипник роликовый игольчатый 41х51х24.8мм A010073-00

Под заказ

1
Ø41XØ51X24.8t
Ø41XØ51X24.8t

Под заказ

уточнить

Купить
31 LU015021 Крышка защитная A030040-42

Под заказ

1

Под заказ

уточнить

200

Купить

Нулевая цена не означает отсутствие товара. Оформите заказ, и менеджер сообщит вам цену и наличие товара, предварительно запросив их у поставщика

Главная Магазины
Корзина0
Профиль